Recentemente fiz umas modificações no programa DDM, para calcular a distribuição de terraplenagem pelo diagrama de Bruckner.
Particularmente eu acho chato pra caramba ficar fazendo isso à mão:
Mas tem doido que faz, hehehehe
Sim, eu sei que o Civil 3D faz o desenho do diagrama. MASSSSSSSSSSSSS......
Sentiu o "mas"?
Ele não distribui!!! Só desenha.
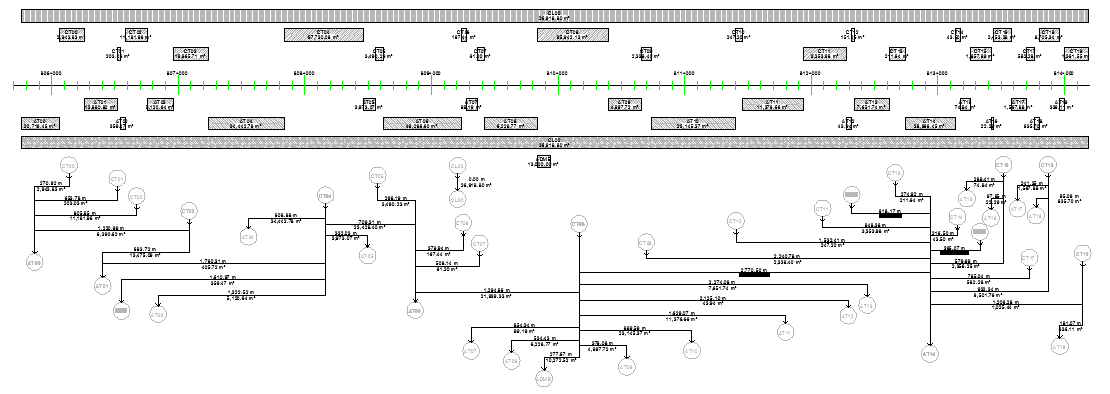
Bom, a ideia por traz do DDM é justamente fazer a distribuição.
O problema é que ficava meio subjetivo e sempre me questionavam como fazer a compensação lateral
Bem, primeiro, é necessário entender como o programa funciona.
Depois, saber como obter os dados, processar e obter o resultado
E pronto.
No fim, obter o desenho da distribuição:
Ou em forma de planilha:
Gostou da idéia?
Teste o programa agora mesmo!!!
Disponível para Civil 3D 2012 em diante


